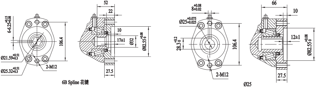
WEA12
发布时间:2021/02/01 WEA系列 浏览次数:2902
| 项目/Item WEA12 | 数值 Value | 单位 Unit |
| 输出转矩/Output Torque | 9.5 | kN.m |
| 倾覆力矩/Tilting Moment Torque | 57 | kN.m |
| 保持力矩/Holding Torque | 43 | kN.m |
| 轴向静载荷/Static Axial Rating | 760 | kN |
| 径向静载荷/Static Radial Rating | 280 | kN |
| 轴向动载荷/Dynamic Axial Rating | 190 | kN |
| 径向动载荷/Dynamic Radial Rating | 148 | kN |
| 减速比/Gear Ratio | 79:1 | — |
| 精度等级/Tracking Precision | ≤0.15 | ° |
| 重量/Weight | 66.8 | kg |
相关推荐
获取方案报价







