SE5/PE5
发布时间:2021/02/01 SE/PE系列 浏览次数:3589
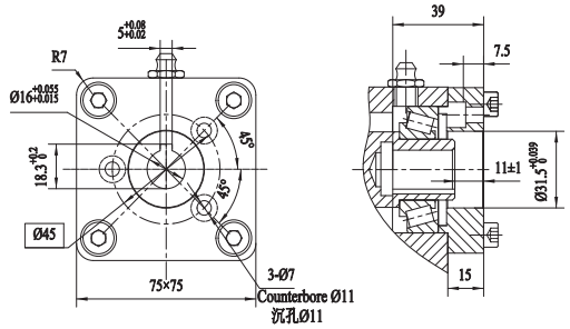
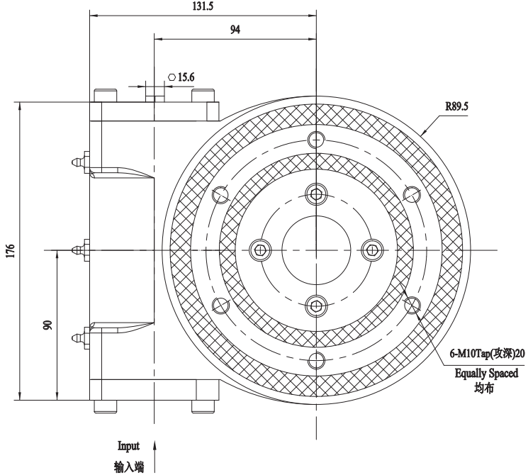
| 项目/Item SE5&PE5 | 数值 Value | 单位 Unit |
| 输出转矩/Output Torque | 600 | N.m |
| 倾覆力矩/Tilting Moment Torque | 2800 | N.m |
| 保持力矩/Holding Torque | 5000 | N.m |
| 轴向静载荷/Static Axial Rating | 45 | kN |
| 径向静载荷/Static Radial Rating | 22 | kN |
| 轴向动载荷/Dynamic Axial Rating | 14.4 | kN |
| 径向动载荷/Dynamic Radial Rating | 11.1 | kN |
| 减速比/Gear Ratio | 62:1 | — |
| 精度等级/Tracking Precision | ≤0.2 ≤0.08/0.12 | ° |
| 重量/Weight | 16 | kg |
相关推荐
获取方案报价







