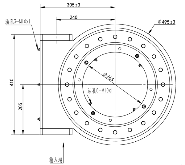
WZ0343
发布时间:2022/09/09 双排球回转驱动 浏览次数:1944
| 项目/ Item WZ-III-0343 | 符号 Sign | 单位 Unit | 数值 Value |
| 模数/Module | M | mm | 5 |
| 齿圈齿数/Teeth number of wheel | Z2 | - | 86 |
| 蜗杆螺纹系数/Worm thread | Z1 | - | 1 |
| 传动比/Gear ration | i | - | 86.00 |
| 最大扭矩/Max torque | Md max | N.m | 12260 |
| 标准扭矩/Nom torque | Md nom | N.m | 9643 |
| 最大保持扭矩/Max holding torque | Mh | N.m | 12260 |
| 径向额定静载荷/Radial static load | Co rad | KN | 536 |
| 轴向额定静载荷/Axial static load | Co ax | KN | 1435 |
| 径向额定动载荷/Radial dynamic load | Crad | KN | 242 |
| 轴向额定动载荷/Axial dynamic load | Cax | KN | 283 |
| 重量/Weight | W | Kg | 119 |
相关推荐
获取方案报价






